


安科瑞单相导轨表DDSD1352二次接入电子式单相电度表
216.00
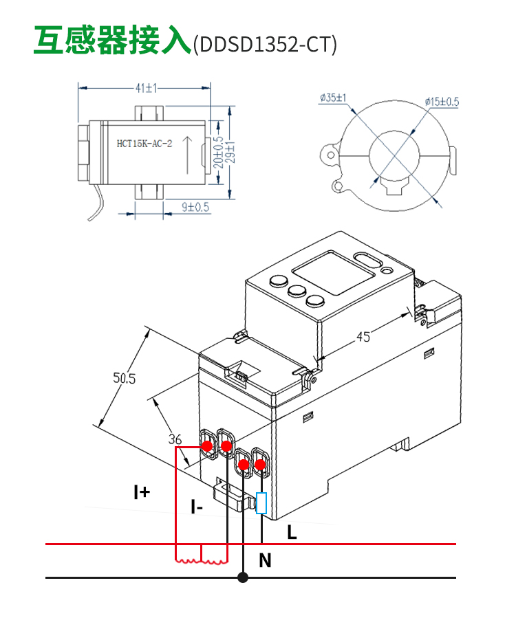
产品详情
安科瑞导轨式多功能电表DDSD1352单相电子式主要用于计量低压网络的单相有功电能,同时可测量电压、电流、功率等电量,具有红外通讯功能,并可选配 RS485 通讯功能,方便用户进行用电监测、集抄和管理。可灵活安装于配电箱内,实现对不同区域和不同负荷的分项电能计量,统计和分析。






















相似推荐
-
安科瑞短路限流保护器ASCP200-20D超温限流保护 带485通讯
1400.00
-
安科瑞负载控制宿舍用电DDSY1352-3DM恶性负载识别类电力仪表 预付费
560.00
-
安科瑞多回路单相电表DDSY1352-xDM智能预付费系统 远程抄表通断配电
630.00
-
安科瑞远程预付费多功能电表DTSY1352-NK 远程充值通断 支持无线通讯
560.00
-
安科瑞基站能耗监测表DTSD1352-4S导轨多回路计量仪表表
700.00
-
安科瑞弧光保护装置ARB5-M弧光探头故障迅速切除 电流保护
18000.00
-
安科瑞16路开关量采集模块ARTU100-K16多回路脉冲采集装置遥脉单元
700.00
-
安科瑞智能充电桩AEV-AC007D小区物业用交流充电桩
2520.00
-
安科瑞三相数显智能电表DTSD1352多功能导轨电能计量仪表
476.00
-
安科瑞电动车充电桩ACX系列可接入管理云平台 小区物业用
1050.00
AIoT库 版权所有 ©2026 iotku.com